| Sign In | Join Free | My benadorassociates.com |
|
Brand Name : TongJiang
Model Number : Double Hinge Flap Check Valve
Certification : ISO9001,BV,SGS
Place of Origin : CHINA
MOQ : 5 piece or as the requirment
Price : FOB CHINA USD100-5800 /PC
Payment Terms : Western Union, MoneyGram, L/C, T/T
Supply Ability : 10000PCS/MONTH as the specification
Delivery Time : 5-15 days
Packaging Details : Wooden cases
Check Valve Body Material : Ductile Iron, BSEN 1563 Gr. 500/7
Check Valve Size : DN80 - DN600
Check Valve Temperature : -10°C to 70°C
Check Valve Media : Potable Water, filtered water, sea water, dirty water & sewage
Check Valve Pressure Class : PN 16 Bar
Check Valve Connection : Wall or Flange Mounting
Double Hinge Flap Check Valve Ductile Iron, PN 16 Bar, DN80 - DN600
Check Valve PRODUCT INTRODUCTION
Flap Check Valve Description
The double hinge Flap Valve is a circular aperture design suitable for use in dirty or sea water applications. Typical installations include outfalls from treatment works and outfalls to rivers or the sea. All Euro TF sizes are double hung to provide added sealing assurance.
Double Hinge Flap Check Valve Feature
Service Conditions
(Insulate at 0°C and below)
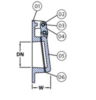
| Items | Description | Material | Specification |
|---|---|---|---|
| 1. | Body | Ductile Iron | BSEN 1563 Gr. 500/7 |
| 2. | Bush | Gunmetal | BSEN 1400 LG2 |
| 3. | Hinge Pin | Stainless Steel | BSEN 10088 1.4310 |
| 4. | Links | Ductile Iron | BSEN 1563 Gr. 500/7 |
| 5. | Flap | Ductile Iron | BSEN 1563 Gr. 500/7 |
| 6. | Seating Face | Nickel Iron Weld | Ni55Fe45 |
Valve Outline Size Drawing



| DN | H | H1 | D | PCD | W | No. of bolts | Hole diameter | Approx weight (kg) |
|---|---|---|---|---|---|---|---|---|
| 80 | 225 | 125 | 200 | 160 | 68 | 4 | 19 | 4 |
| 100 | 244 | 134 | 220 | 180 | 72 | 4 | 19 | 6 |
| 150 | 312 | 170 | 285 | 240 | 81 | 4 | 23 | 11 |
| 200 | 370 | 210 | 340 | 295 | 77 | 4 | 23 | 16 |
| 225 | 395 | 229 | 370 | 325 | 74 | 4 | 23 | 20 |
| 250 | 410 | 233 | 400 | 355 | 75 | 4 | 28 | 23 |
| 300 | 470 | 280 | 460 | 410 | 83 | 4 | 28 | 25 |
| 350 | 550 | 321 | 540 | 470 | 94 | 4 | 28 | 33 |
| 375 | 550 | 321 | 540 | 495 | 94 | 4 | 25 | 33 |
| 400 | 621 | 331 | 580 | 525 | 95 | 4 | 31 | 44 |
| 450 | 695 | 375 | 640 | 585 | 100 | 4 | 31 | 53 |
| 500 | 758 | 400 | 715 | 650 | 103 | 4 | 34 | 62 |
| 600 | 867 | 447 | 840 | 770 | 110 | 4 | 37 | 78 |
If you require other sizes and valve design standards, please send email to angela@tjfmcn.com to get the drawing.
Valve Packing with Plywood

Please feel free to contact with us at angela@tjfmcn.com or filling up an enquiry form instructed at the bottom.
You will get an effective response within 24 hours from TongJiang Team.
COMPANY PROFILE
floa
1. Our Factory
30 years experience of valve and pipeline industry.
10 senior technical engineers
20000 m2 production area
More than 100 employees to provide professional service.
As the reliable OEM for famous valve brand companies.
t ball valve
2. Factory Show
TONGJIANG Valve Technology Company was established for 30 years.
There are more than 100 employees which includes 10 professional engineers.

OUR SERVICE float ball valve
Reliable Quality, Competitive Price
Reply your inquiry in 2 hours with professional service.
CONTACT INFORMATION
Miss Angela
Mobile: +86 13588429004(Whatsapp)
Skype: angelazhuo1
E-mail: angela@tjfmcn.com
Tel No: +86 571 86991717
Official Website: www.zjtjvalve.com
|
|
Double Hinge Flap Type Non Return Valve DN80 - DN600 For Sea Water Applications Images |